MCD132-08IO1
MCD132-08IO1
IXYS
MOD THYRISTOR/DIODE 800V Y4-M6
In Stock: 5200 pcs
to potężny i niezawodny moduł mocy wykonany przez IXYS, obecnie częścią Litfelse.Łączy tyrystor i diodę w jednej kompaktowej jednostce, zaprojektowanej do obsługi wysokiego prądu i napięcia.To sprawia, że jest świetne dla trudnych miejsc pracy, takich jak dyski silnikowe, maszyny spawalnicze i grzejniki przemysłowe.W tym artykule dowiesz się o jego kluczowych funkcjach, wydajności, jak działa, gdzie jest używany i jak porównuje się z podobnymi modelami.Jeśli szukasz silnego modułu do kontroli mocy, warto rozważyć MCD132-08io1.
Katalog
. MCD132-08io1
Z IXYS (obecnie Litfelse) to silny i niezawodny moduł mocy, który łączy tyrystor i diodę.Może obsługiwać wysoki prąd do 130A i blokować napięcia do 800 V, dzięki czemu idealnie nadaje się do trudnych miejsc pracy, takich jak dyski silnikowe, maszyny spawalnicze i grzejniki przemysłowe.Obsługuje również duże gwałtowne siły, do 4750A w przypadku krótkich serii.
Moduł jest dostępny w kompaktowej obudowie Y4-M6, która pomaga mu zachować chłód i bezpiecznie pracować.Dzięki szybkiemu przełączaniu, silnej ochronie i wysokiej izolacji działa dobrze nawet w trudnych warunkach.Ta część jest zbudowana do trwania i jest łatwa do zamontowania w systemach sterowania.Jeśli potrzebujesz twardego i sprawdzonego modułu do kontroli o dużej mocy,
MCD132-08IO1
MCD132-08IO1
IXYS
MOD THYRISTOR/DIODE 800V Y4-M6
In Stock: 5200 pcs
jest doskonałym wyborem.
Jeśli jesteś zainteresowany zakupem MCD132-08IO1, skontaktuj się z nami w celu uzyskania cen i dostępności.
MCD132-08IO1
MCD132-08IO1
IXYS
MOD THYRISTOR/DIODE 800V Y4-M6
In Stock: 5200 pcs
jest produkowany przez IXYS Corporation, firmę działającą obecnie pod marką Littelfuse.Litfelse nadal wspiera i wytwarza linię wysokowydajnych modułów półprzewodników mocy IXYS, w tym kombinacje tyrystorowe-diody, takie jak MCD132-08io1.Moduły te znane z trwałości i wydajności są szeroko stosowane w zastosowaniach przemysłowych kontroli energii.Litfelguse zapewnia pełne wsparcie techniczne, arkusze danych i dostęp do łańcucha dostaw dla tej części, zapewniając ciągłość istniejących projektów i nowych instalacji.
• Thyristor dla częstotliwości linii
Ten komponent został zaprojektowany specjalnie do działania przy standardowych częstotliwościach linii zasilania (zwykle 50/60 Hz), dzięki czemu jest idealny do przełączania prądu przemiennego i aplikacji sterowania mocą.
• Passywowany chip
Urządzenie wykorzystuje płaską strukturę z warstwą pasywacyjną w celu zwiększenia niezawodności i ochrony układu przed czynnikami środowiskowymi, co poprawia wydajność i zmniejsza degradację w czasie.
• Stabilność długoterminowa
Oferuje spójną wydajność w dłuższych okresach, co jest kluczowe dla systemów wymagających niezawodnego działania bez konserwacji.
• Bezpośrednia miedziana al₂o₃-ceramika
Chip jest montowany na podłożu ceramicznym tlenku glinu (Al₂o₃) przy użyciu bezpośredniego wiązania miedzi, który zapewnia doskonałą przewodność cieplną i wytrzymałość mechaniczną w celu lepszego rozpraszania ciepła i trwałości.
Symbol
|
Definicja
|
Warunki
|
Min
|
Typ.
|
Max
|
Jednostka
|
VDRM / VRRM
|
Max.Niezakładne napięcie blokujące odwrotne/do przodu
|
Tᵥⱼ = 25 ° C.
|
-
|
-
|
900
|
V
|
VRRM
|
Powtarzające się napięcie blokujące odwrotne/do przodu
|
Tᵥⱼ = 25 ° C.
|
-
|
-
|
800
|
V
|
IR
|
prąd odwrotny, prąd spustowy
|
VR = 800 V, Tᵥⱼ = 25 ° C
|
-
|
-
|
200
|
mama
|
|
|
VR = 800 V, Tᵥⱼ = 125 ° C
|
-
|
-
|
10
|
mama
|
VT
|
spadek napięcia do przodu
|
To = 150a, tᵥⱼ = 25 ° C
|
-
|
- |
1.14 |
V
|
|
|
It = 300a, tᵥⱼ = 25 ° C
|
-
|
- |
1.36 |
V
|
|
|
It = 150a, it = 300a, tᵥⱼ = 125 ° C
|
-
|
- |
1.08, 1,36 |
V
|
IT (av)
|
średni prąd do przodu
|
TC = 85 ° C.
|
-
|
-
|
130
|
A
|
ITRMS
|
Prąd do przodu RMS (180 ° sinus)
|
-
|
-
|
-
|
300
|
A
|
VT0
|
napięcie progowe (do obliczania strat)
|
Tᵥⱼ = 125 ° C.
|
-
|
-
|
0,80 |
V
|
RT
|
Odporność na zbocza
|
Tᵥⱼ = 125 ° C.
|
-
|
-
|
1.5 |
MΩ
|
Rthjc
|
połączenie oporności termicznej z obudową
|
-
|
-
|
-
|
0,23 |
K/w
|
Pbrzdąc
|
Całkowite rozpraszanie mocy
|
TC = 25 ° C.
|
-
|
-
|
435
|
W
|
ITSM
|
Max.Prąd naprzód
|
t = 10 ms;(50 Hz), sinus, tᵥⱼ = 45 ° C
|
-
|
-
|
4,75
|
Ka
|
|
|
t = 8,3 ms;(60 Hz), sine, vR = 0 v |
-
|
-
|
5.13 |
Ka
|
|
|
t = 10 ms;(50 Hz), sinus, tᵥⱼ = 125 ° C
|
-
|
-
|
4.04 |
Ka
|
|
|
t = 8,3 ms;(60 Hz), sine, vR = 0 v
|
-
|
-
|
4.36
|
Ka
|
I2t
|
Wartość łączenia
|
t = 10 ms;(50 Hz), sinus, tᵥⱼ = 45 ° C
|
-
|
-
|
112.8 |
ka²s
|
|
|
t = 8,3 ms;(60 Hz), sine, vR = 0 v
|
-
|
-
|
109,5 |
ka²s
|
|
|
t = 10 ms;(50 Hz), sinus, tᵥⱼ = 125 ° C
|
-
|
-
|
81.6 |
ka²s
|
|
|
t = 8,3 ms;(60 Hz), sine, vR = 0 v
|
-
|
-
|
79.1 |
ka²s
|
CJ
|
Pojemność skrzyżowa
|
VR = 400 V, F = 1 MHz, Tᵥⱼ = 25 ° C
|
-
|
211 |
- |
pf
|
PGm
|
Max.Rozpraszanie mocy bramki
|
TP = 30 μs
|
-
|
-
|
120
|
W
|
|
|
TC = 125 ° C.
|
-
|
-
|
60
|
W
|
PG (av)
|
Średnie rozpraszanie mocy bramki
|
TP = 500 μs
|
-
|
-
|
8
|
W
|
(di/dt) cr
|
Krytyczna wskaźnik wzrostu prądu
|
Tᵥⱼ = 125 ° C, F = 50 Hz, powtarzające się, IT = 500A
|
-
|
-
|
150
|
A/μs
|
|
|
TP = 200 μs;kopa/dt = 0,5 a/μs
|
-
|
-
|
|
|
|
|
Ig = 0,5 a;V = ⅔ Vdrm, nierepetyczne, IT = 160a
|
-
|
-
|
500
|
A/μs
|
(DV/DT) Cr
|
Krytyczna szybkość wzrostu napięcia
|
V = ⅔ Vdrm, Tᵥⱼ = 125 ° C
|
-
|
-
|
1000
|
V/μs
|
VGt
|
Napięcie wyzwalające bramę
|
VD = 6 V, Tᵥⱼ = 25 ° C
|
-
|
-
|
2.5
|
V
|
|
|
Tᵥⱼ = 40 ° C.
|
-
|
-
|
2.6 |
V
|
IGt
|
Brama prądu wyzwalacza
|
VD = 6 V, Tᵥⱼ = 25 ° C
|
-
|
-
|
150 |
mama
|
|
|
Tᵥⱼ = 40 ° C.
|
-
|
-
|
200
|
mama
|
VGd
|
Brama bez wyzwalacza napięcie
|
VD = 2/3 Vdrm, tᵥⱼ = 125 ° C
|
-
|
-
|
0,2 |
V
|
IGd
|
Brama bez wyzwalacza prąd
|
-
|
-
|
-
|
10
|
mama
|
IL
|
prąd zatrzasny
|
TP = 30us, iG= 0,5A;diG/dt = 0,5 a/μs,
Tᵥⱼ = 25 ° C. |
-
|
-
|
300 |
mama
|
IH
|
trzymanie prądu
|
VD = 6 V, RGK = ∞, Tᵥⱼ = 25 ° C
|
-
|
-
|
200
|
mama
|
TD
|
Czas opóźnienia kontrolowanego przez bramę
|
To = 0,5a;di/dt = 0,5 A/μs
|
-
|
-
|
2
|
μs
|
TQ
|
czas wyłączenia
|
VR = 100 V, IT = 160A, V = ⅔ Vdrm, Tᵥⱼ = 100 ° C
|
-
|
150 |
- |
μs
|
• Linia naprawia 50/60 Hz:Służy do konwersji zasilania sieciowego AC na standardowych częstotliwościach linii (50 lub 60 Hz) w DC, powszechnie występujące w zasilaczach i prostownikach przemysłowych.
• Softstart Silnik AC:Pomaga zmniejszyć prąd obrzydliwy i stres mechaniczny podczas uruchamiania silników prądu przemiennego, zwiększając żywotność sprzętu i efektywność energetyczną.
• Kontrola silnika DC:Umożliwia wydajną kontrolę prędkości i momentu obrotowego w silnikach DC, co ma kluczowe znaczenie dla systemów automatyzacji i napędów elektrycznych.
• Konwerter mocy:Stosowane w obwodach, które zmieniają jedną formę mocy elektrycznej (np. AC na DC lub odwrotnie), zapewniając odpowiednie napięcie i prąd dla różnych systemów.
• Kontrola zasilania prądu przemiennego:Zapewnia precyzyjną regulację napięcia prądu przemiennego lub prądu w urządzeniach takich jak grzejniki, ściemniacze lub dyski o zmiennej prędkości.
• Kontrola oświetlenia i temperatury:Idealny do zarządzania jasnością i ciepłem w systemach oświetleniowych lub utrzymywania temperatury w aplikacjach grzewczych poprzez kontrolowane dostarczanie mocy.

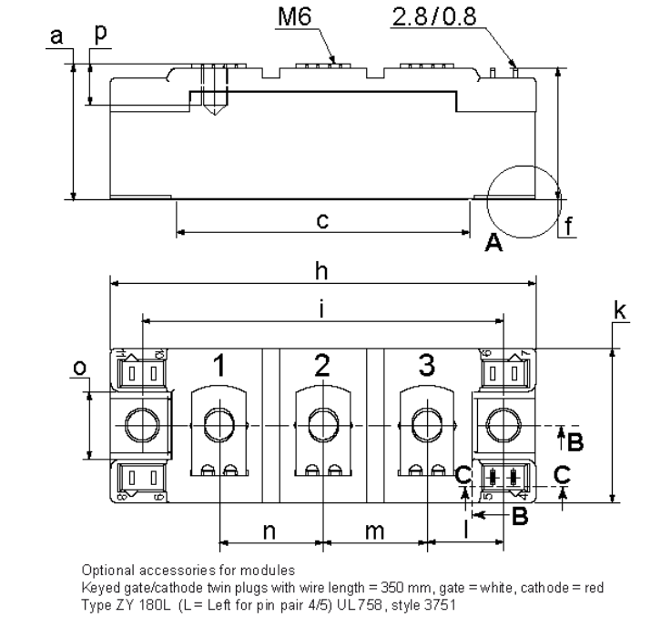
Zarys pakietu
MCD132-08IO1
MCD132-08IO1
IXYS
MOD THYRISTOR/DIODE 800V Y4-M6
In Stock: 5200 pcs
pokazuje kształt i rozmiar modułu, pomagając użytkownikom wiedzieć, jak go poprawnie zamontować i podłączyć.Ma trzy główne zaciski oznaczone 1, 2 i 3 dla połączeń zasilania oraz dwie mniejsze wtyczki na końcówkach dla przewodów sterujących bramą i katodą.
Moduł wykorzystuje śruby M6 do montażu i ma wyraźnie oznaczone wymiary do umieszczenia go na podatkowaniu lub panelu.Układ ułatwia okablowanie i zapewnia dobre przeniesienie ciepła.Każda część jest oznaczona literami (takimi jak C, H, I itp.), Aby pokazać odstępy między otworami i złączami.
Ogólnie rzecz biorąc, projekt pomaga w szybkiej instalacji, bezpiecznym obsłudze i niezawodnym użytkowaniu w systemach sterowania mocą.

Krzywe wydajności modułu
MCD132-08IO1
MCD132-08IO1
IXYS
MOD THYRISTOR/DIODE 800V Y4-M6
In Stock: 5200 pcs
pokazują, jak obsługuje prąd w różnych warunkach. Rysunek 1 pokazuje, ile krótkoterminowego prądu przypływu moduł może obsłużyć.W niższych temperaturach (np. 45 ° C) może wymagać wyższych prądów przypływowych przez krótki czas - ponad 3000A przez kilka milisekund.
Rysunek 2 pokazuje, ile energii moduł może wchłonąć podczas krótkiego przeciążenia.Niższe temperatury pozwalają modułowi bezpiecznie obsługiwać więcej energii.Rysunek 3 pokazuje, w jaki sposób średni prąd, który może przenieść, zależy od tego, jak gorąca jest obudowa.W chłodniejszych temperaturach (około 25–50 ° C) może obsługiwać więcej prądu (do 280A), ale gdy staje się cieplej, bezpieczny prąd spada.Dobre chłodzenie pomaga utrzymać wysoką wydajność.

Rysunek 4
pokazuje, w jaki sposób utrata mocy (PTOT) wzrasta wraz z wyższym prądem (ITAVM).Przy wyższych prądach stanowych wytwarzane jest więcej ciepła.Wykres pokazuje również, w jaki sposób temperatura otoczenia (TA) i oporność termiczna (RTHKA) wpływają na wydajność.Dobre chłodzenie i niższe wartości RTHKA pomagają modułowi obsłużyć więcej prądu bez przegrzania.
Rysunek 5 pokazuje cechy wyzwalające bramę.Wyświetla związek między napięciem bramki (VG) a prądem bramki (IG) potrzebnym do wyzwolenia tyrystora w różnych temperaturach skrzyżowania.W chłodniejszych temperaturach (np. –40 ° C) potrzebne jest więcej prądu bramy.W miarę wzrostu temperatury do 25 ° C prąd spustowy maleje.Ta krzywa pomaga w wyborze odpowiedniego napędu bramki w celu niezawodnego przełączania.

Rysunek 6 pokazuje, ile ciepła (utrata mocy) jest wytwarzana w trójfazowym prostowniku przy użyciu trzech modułów MCD132.Wraz ze wzrostem prądu wyjściowego ciepło również rośnie.Jeśli używasz lepszego chłodzenia (niższy opór termiczny), moduł może bezpiecznie obsługiwać więcej prądu.
Rysunek 7 pokazuje, jak szybko moduł włącza się po otrzymaniu sygnału bramki.Nazywa się to czasem opóźnienia bramy.Gdy prąd bramki jest silniejszy, moduł reaguje szybciej.Wykres pokazuje zarówno typowy, jak i maksymalny czas opóźnienia, aby zapewnić niezawodne przełączanie.
Zalety
• Obsługa wysokiego prądu: Obsługuje średnią do 130A i wzrost 4750A, idealny do ciężkich obciążeń.
• Pakiet kompaktowy i trwały: Konstrukcja podwozia Y4-M6 jest ratowana przestrzeń i zbudowana dla środowisk przemysłowych.
• Silna izolacja elektryczna: Wytrzymuje do 3600 V między terminalami w celu bezpiecznego działania.
• Niezawodne zarządzanie termicznie: Niski opór termiczny zapewnia stabilną wydajność temperatury.
• Odpowiedź szybkiego przełączania: Nadaje się do aplikacji wymagających szybkiej kontroli mocy.
• Wszechstronne użycie: Idealny do dysków silnikowych, miękkich startujących, spawaczy i systemów grzewczych.
Wady
• Nie komponent plug-and-play: Wymaga obwodu cieplnego i zewnętrznego napędu bramki.
• Ograniczenie ograniczonego napięcia: 800 V może nie być odpowiednie dla systemów wyższego napięcia.
• wolniejszy czas wyłączenia: ~ 150 µs może nie pasować do przełączania o wysokiej częstotliwości.
• Brak wbudowanej ochrony: Potrzebne są zewnętrzne obwody ochrony (np. Snubbers, bezpieczniki).
1.Przegrzanie - spowodowane niewystarczającym chłodzeniem i ustalonym przy użyciu odpowiedniego ciepła, smaru termicznego i zapewnienia dobrego przepływu powietrza.
2. Niepowodzenie spustu bramki - zdarza się z powodu nieprawidłowego napędu bramki i rozwiązania poprzez dostarczanie prawidłowego napięcia spustu i prądu z opcjonalną oporem bramki.
3. Skoki napięcia (wyzwalacze DV/DT) - Wywołane przez nagłe zmiany napięcia i zapobiegane przez dodanie obwodów snubbera w celu tłumienia stanów przejściowych.
4.Mechaniczne naprężenie montażowe - Wyniki nierównomiernego momentu obrotowego podczas instalacji i unikanie poprzez następujące specyfikacje momentu obrotowego i stosowanie odpowiedniego montażu izolowanego.
5. Odwrotna biegunowość lub przepięcie - spowodowane błędami okablowania lub zdarzeń przypływu i adresowane przez sprawdzanie polaryzacji i dodanie komponentów ochronnych, takich jak MOVS lub TVS Diodes.
MCD200-14io1
MCD161-20IO1
MCD161-20IO1
IXYS
MOD THYRISTOR/DIODE 2000V Y4-M6
In Stock: 5200 pcs
MCD132-18io1
MCD132-16io1
MCD132-14io1
Funkcja
|
MCD132–08io1
|
MCD200–14io1
|
Średnia na imieniu
Bieżący (iₜₐᵥ)
|
130a
|
216a
|
RMS Current (iₜ(RMS))
|
300A
|
340a
|
Blokowanie napięcia (V₍RRM/DRM₎)
|
800 V.
|
1400 V.
|
Prąd podstępny (iₜₛₘ)
|
4750A (10 ms, 50 Hz)
|
8000A (10 ms, 50 Hz)
|
Napięcie progowe do przodu (Vₜ₀)
|
0,8 V.
|
0,8 V.
|
Opór nachylenia (Rₜ)
|
1,5 mΩ
|
1,0 mΩ
|
Odporność termiczna (połączenie do kasu)
|
0,23 K/w
|
0,13 K/w
|
Case -to -heatsink (rₜₕCh)
|
0,10k/w
|
0,05k/w
|
Krytyczna ocena DV/DT
|
1000 V/µs
|
1000 V/µs
|
Napięcie wyzwalające bramę (vGₜ)
|
≤2,5 V.
|
2 V (maks. 3 V w –40 ° C)
|
Prąd spustowy bramy (iGₜ)
|
≤150 mA
|
150 mA (maks. 220MA w –40 ° C)
|
Trzymanie prądu (jaH)
|
200ma
|
150MA
|
Czas skrętu
(TQ)
|
150 µs
|
200 µs
|
Działający temperatura połączenia.Zakres
|
–40 ° C do +125 ° C.
|
–40 ° C do +125 ° C.
|
Napięcie izolacji
|
3600V
|
3600V
|
Pakiet / montaż
|
Podwozie Y4 -M6
Mocować, ~ 150 g
|
Podwozie Y4 -M6
Mocować, ~ 125 g
|
MCD132-08IO1
MCD132-08IO1
IXYS
MOD THYRISTOR/DIODE 800V Y4-M6
In Stock: 5200 pcs
jest niezawodnym wyborem do kontrolowania energii w wymagających aplikacjach.Oferuje wysoki prąd, szybkie przełączanie oraz solidną wydajność termiczną i elektryczną.Chociaż wymaga odpowiedniego chłodzenia i dodatkowych części, takich jak obwody ds. Bramy i obwody ochrony, zapewnia długotrwałą i stabilną wydajność.Łatwo jest również zamontować i używać w wielu systemach.Jeśli chcesz zaufanego i sprawdzonego modułu mocy, MCD132-08io1 jest świetną opcją.Skontaktuj się z nami teraz, aby złożyć zamówienia zbiorcze i uzyskać niezawodne dostawy w najlepszej wartości.
Arkusz danych pdf
MCD132-08io1
MCD132-08io1 (1) .pdfMCD132-08io1 (2) .pdfMCD132-08io1 (3) .pdfMCD132-08io1 Szczegóły PDFMCD132-08IO1 Szczegóły pdf dla fr.pdfMCD132-08io1 Szczegóły pdf dla Kr.pdfMCD132-08io1 Szczegóły pdf dla IT.PDFMCD132-08io1 Szczegóły pdf dla es.pdfMCD132-08io1 Szczegóły pdf dla de.pdf
Udostępnij ten post